Passer au contenu principal
Schémas
Schémas
Schémas
Schémas 001
RNG-1502
schémas 2
flukes
Autres
autres
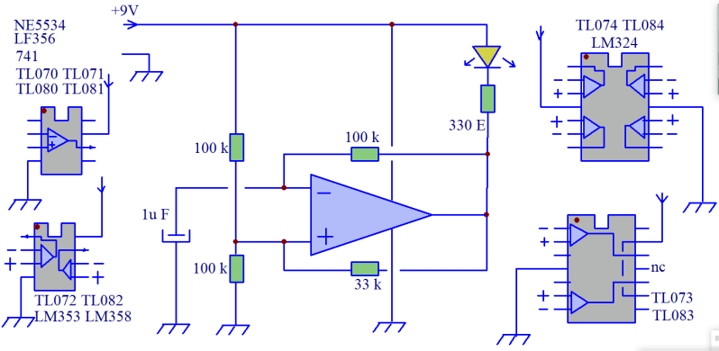
Testeur d'amplis opérationnels
Créez votre propre site internet avec
Webador
Créez votre propre site internet avec Webador